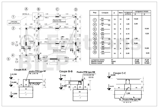
[titre]
Plan de fondation par massif et longrine
[texte]
1. Quel est le système de fondation ?
[trou]"Massifs et longrines"[texte]
2. Qu’est ce qu’une longrine ?
C’est une [trou]"poutre de fondation"[texte].
3. Sur quoi s’appuient les longrines ?
Elles s’appuient sur les [trou]"massifs"[texte]
4. Quel est le niveau des fonds de fouille des massifs ?
Les fonds de fouilles des massif se trouvent à [trou]"- 1,00 m"[texte] par rapport au sol fini de la RdC (0,00 m).
5. Que représentent les parties noircies ?
Elles représentent [trou]"les clavetages"[texte] des longrines.
6. Que représentent les repères de 1 à 8 ?
Ils représentent [trou]"les barres de liaisons des longrines"[texte].
[config]
indices = oui
solutions = non
[score]
0% : Il est urgent de réviser. Recommencez !
30% : Vous n’avez pas la moyenne... Recommencez !
50% : Ce n’est p
[...]
- Ainsi vous découvrirez :
- Et de nombreuses illustrations haute-définition :
- mais aussi le téléchargement du guide au format PDF, l’accès au forum pour échanger avec tous les membres ABC Maçonnerie et les collaborateurs du site, les outils de calculs etc. etc.
Pour devenir membre et lire ce tome en particulier
Il vous suffit d’acquérir ce guide :
Pour plus de contenu
Vous pouvez acquérir un de nos PACKS regroupant plusieurs ou la totalité des guides ou tomes et des cours :










